이젠 정말 시험이 얼마 안 남았다... ㅋㅋㅋ........
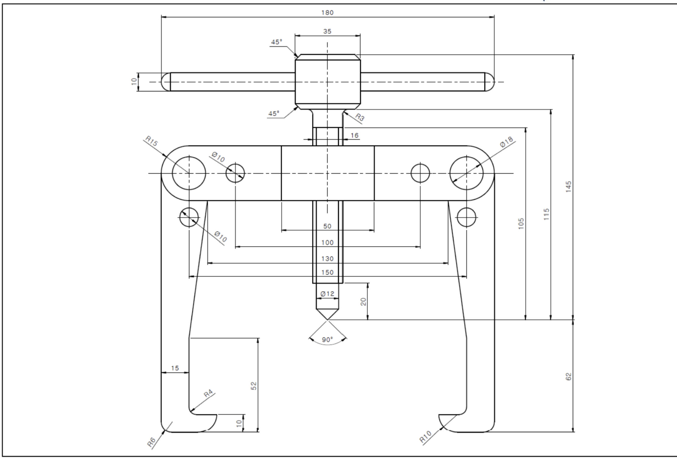
1.

이걸 한번 그려봤다.
직접 정의해줘야 하는 길이들이 좀 있어서 꽤 애를 먹었다.

완성한 결과다.

고민의 흔적들..
아무리 봐도 여긴 치수가 안 나와있는데.. 하는 부분은 끝까지 남겨두었다가 눈대중으로 이정도 길이다 싶은 정도만큼의 길이로 정의해줬다.
1시간 1분 걸렸다....
내가 시험을 과연 잘 볼 수 있을까..? ㅋㅋㅋㅋ 넘 오래걸린다ㅜㅜ
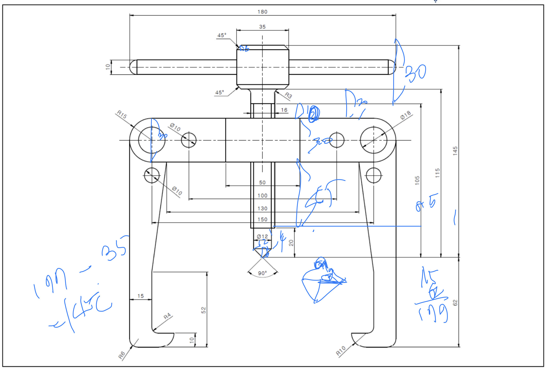
2.
이건 진짜....ㅋㅋㅋㅋㅋㅋ


진짜 말도 안되게 어렵다..... 엉엉
중간중간 곡선이 부드럽게 이어지지 않은 부분들이 많게 그렸다. 이를 우째...
한 한시간 반쯤 지났을 때 이게 fillet로 풀면 더 쉽다는 것을 깨달았다.
1시간 56분 이상 걸렸다.(중간에 타이머가 멈춰진 듯하다.)
[출처]
- 숙명여자대학교 윤창규 교수님 수업자료
- 한국 ATC 센터와 함께하는 오토캐드(Auto CAD) 2017 기본기가 튼튼한 실무형 입문서/ 김혜숙 지음/ 엠듀 / 2016.8.30
- 2D, 3D Auto CAD 기계설계제도 / 이광수, 계상덕, 김성원 지음 / 출판사: 일진사
- ATC 자격시험 CAD 1,2급(2016)/ 유형별 기출문제 풀이/ 모의시험/ 김주화 지음/ 출판사 엠듀
'AutoCAD' 카테고리의 다른 글
| [AutoCAD] 220508 학습일기 (0) | 2022.05.09 |
|---|---|
| [AutoCAD] 220418 학습일기 (0) | 2022.04.18 |
| [AutoCAD] 220413 학습일기 (0) | 2022.04.13 |
| [AutoCAD] 220411 학습일기 (0) | 2022.04.13 |
| [AutoCAD] 220409 학습일기 (0) | 2022.04.09 |