시험이 얼마 안 남았다..
똥줄 타서 시작하는 오토캐드 예제 그리기.
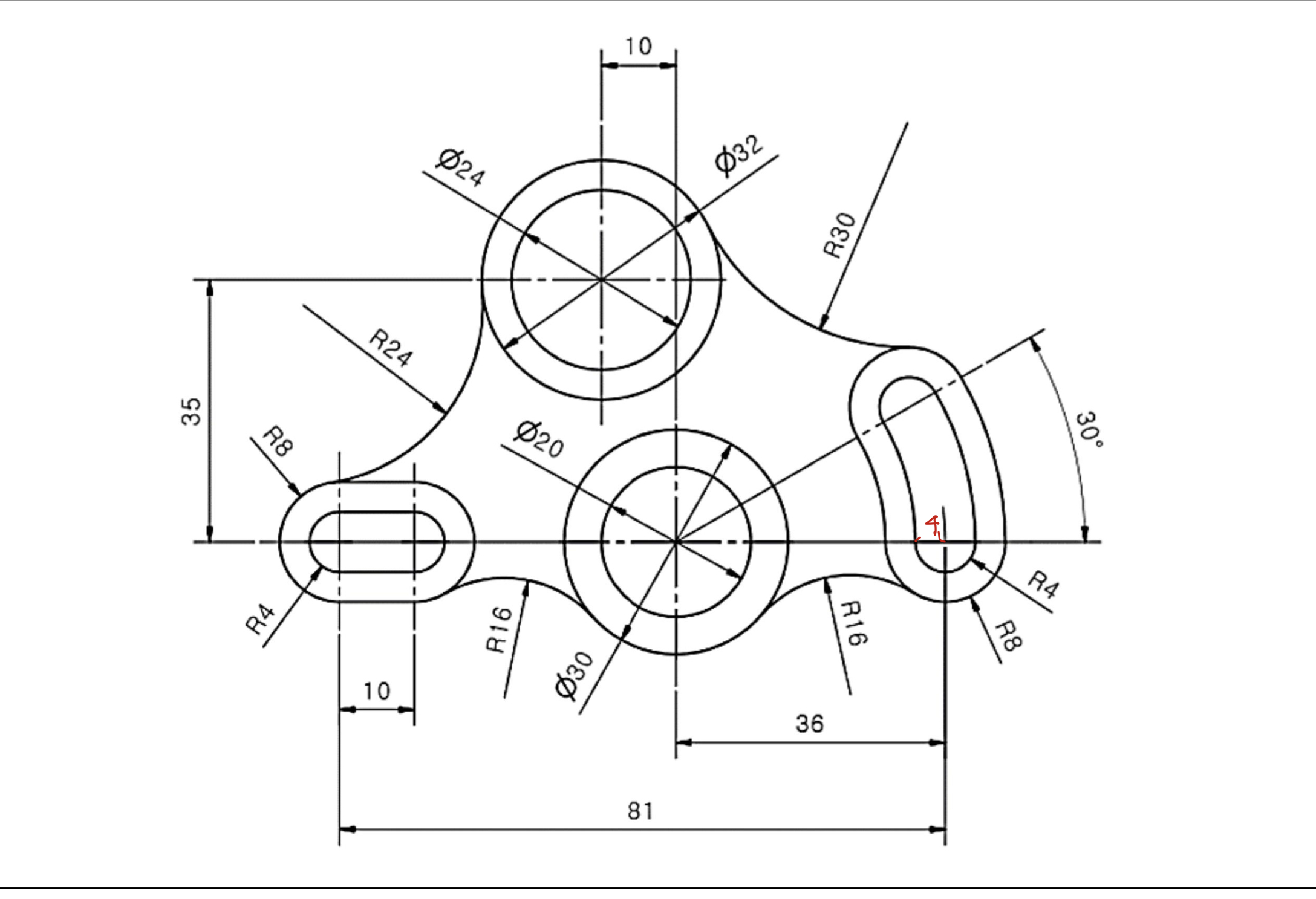
1.


38:54.36 걸렸다.
Q1. 치수 기입할 때 화살표를 도형 안에 넣을 수는 없는걸까?
Q2. 치수 기입할 때 어떤 선 종류를 쓰는게 가장 좋을까?
Q3. 왜 반지름, 지름 기입할 때 내꺼는 원의 중심부터 치수선이 이어질까? 저건 어떻게 바꿀 수 있을까?
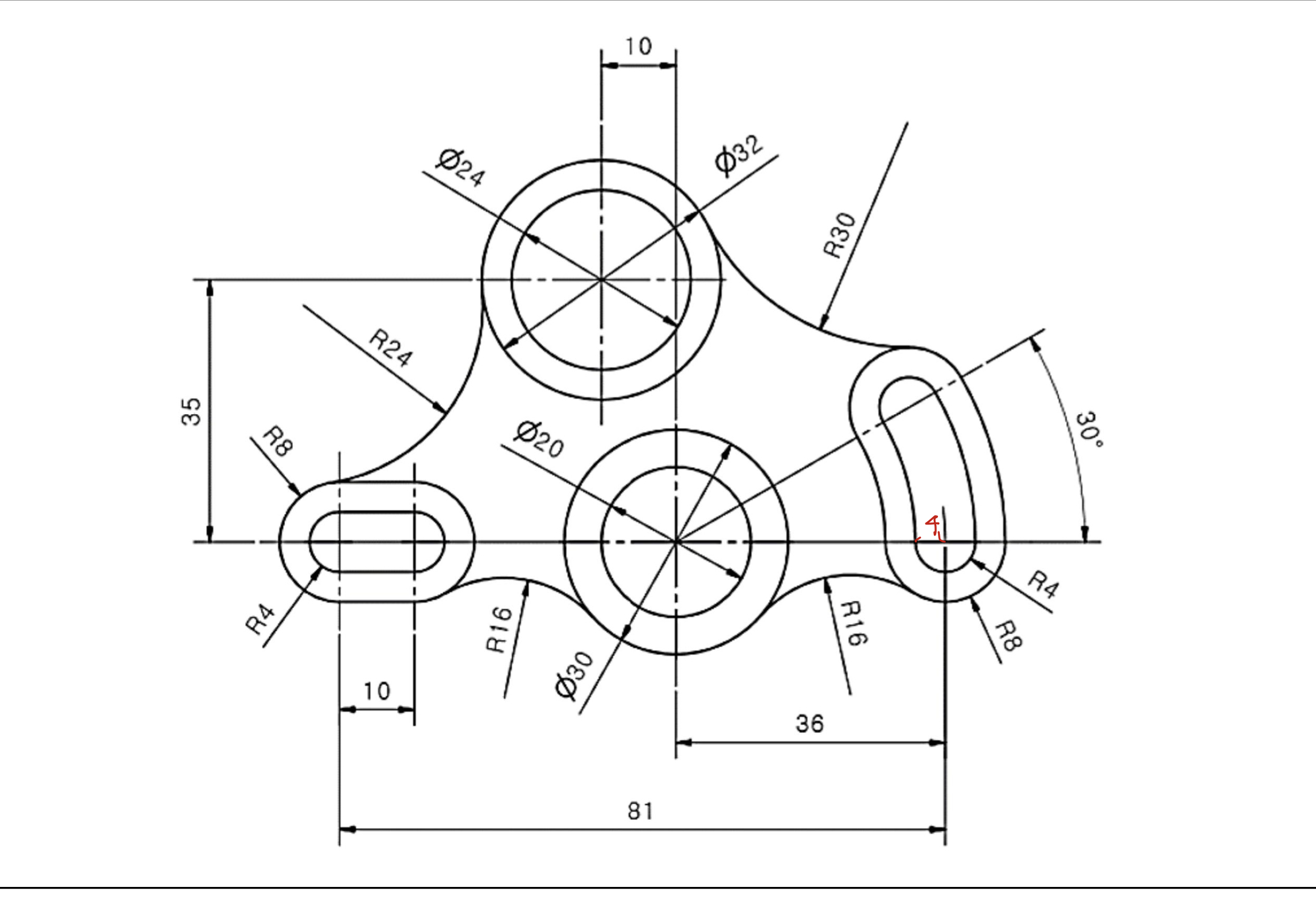
2.


32:47:27 걸렸다.
3.
만약 어떤 원이 있고
어떤 선이 있다.

이 원과 직선을 접하게 하고 싶다.(선이나 원을 움직여서. 이때 선의 기울기를 바꿀 수 없다.)
어떻게 해야할까?
move만을 사용해서는 어떻게 방법이 없다.

객체스냅을 이용해보려 했지만 이와 관련된 객체스냅은 아직 찾지 못했다.
직교도 안되고 접점도 안된다.
그러다가 문득 이 방법이 생각났다.
원과 접해야 하는 이 직선을 직선 A라 하겠다.
먼저 원의 중심을 지나는 직선A와 수직인 직선 B를 그려준다.
명령: _line
첫 번째 점 지정:
다음 점 지정 또는 [명령 취소(U)]: _per 대상

그러면 원과 직선 B사이에 교차점이 생긴다. 바로 그 점이 접점이 되는 것이다.
그리고 나서 직선 A를 그 접점으로 move해주면 된다.
명령: MOVE
1개를 찾음
기준점 지정 또는 [변위(D)] <변위>:
두 번째 점 지정 또는 <첫 번째 점을 변위로 사용>:

요로코롬.
접하는지 확인해보자.
trim을 통해서 확인해주면 된다.


접하는 거 맞다.
방법을 찾아서 기쁘다.
출처:
숙명여자대학교 윤창규 교수님 수업자료
- 한국 ATC 센터와 함께하는 오토캐드(Auto CAD) 2017 기본기가 튼튼한 실무형 입문서/ 김혜숙 지음/ 엠듀 / 2016.8.30 (주교재)
- 2D, 3D Auto CAD 기계설계제도 / 이광수, 계상덕, 김성원 지음 / 출판사: 일진사(참고 문헌)
- ATC 자격시험 CAD 1,2급(2016)/ 유형별 기출문제 풀이/ 모의시험/ 김주화 지음/ 출판사 엠듀(참고 문헌)
'AutoCAD' 카테고리의 다른 글
| [AutoCAD] 220413 학습일기 (0) | 2022.04.13 |
|---|---|
| [AutoCAD] 220411 학습일기 (0) | 2022.04.13 |
| [AutoCAD]220404 학습일기 (0) | 2022.04.04 |
| [AutoCAD] 220326 학습일기 (0) | 2022.03.26 |
| [AutoCAD] 220323 학습일기 (0) | 2022.03.23 |